Ürün Özeti
| RVE35 Serisi Solar Pompa VFD | | |
| | DC/AC GİRİŞİ | |
| | Rafine tasarım | |
| | MPPT'nin | |
| Parametrik | ||
| Modeli | RVE35-T3-5R5GB ~ RVE35-T3-7R5GB |
| Gerilim | 350VDC ila 800/900VDC giriş, 3 PH 380VAC ila 440VAC giriş | |
| P dereceli (kW) | 5,5/7,5 | |
| Nominal akım (A) | 13/16A/25A | |
| MPPT'nin Vmp/Voc | 540/660 | |
| Boyutlar (mm) | 265*105*164 | |
Uygulama Arka Planları
| Son yıllarda, küresel "gıda sorunu" ve "enerji sorunu"nun ciddiyetinin artmasıyla birlikte, güneş enerjili su pompaları, verimli ekili arazi çıktısını artırma ve fosil enerjiyi temiz enerjiyle değiştirme sorununu çözmek için yavaş yavaş etkili endüstriyel entegrasyon ürünleri olarak kabul edildi. Sonuç olarak, güneş enerjisi endüstrisinin tarımsal su koruma, çöl kontrolü, evsel su kullanımı ve kentsel su düzenlemesi gibi geleneksel endüstrilerle birlikte geliştiği yeni bir ekonomik model doğdu. |
Ürün Özellikleri
• Hızlı yanıt hızı ve kararlı çalışma ile maksimum güç noktası izleme (MPPT)
• Kuru çalışma (yük altında) koruması
• Motor maksimum akım koruması
• Giriş gücü koruması
• Düşük durma frekansı koruması
• PQ (güç/akış) performans eğrisi, pompadan gelen akış çıkışının hesaplanmasına olanak sağlar
• Tam otomatik çalışma, veri depolama ve koruma fonksiyonları için dijital kontrol
• Ana devre için akıllı güç modülü (IPM)
• LED ekranlı işletim paneli ve uzaktan kumanda desteği
• İkili mod AC ve DC güç kaynağı girişi mevcuttur
• Düşük su probu sensörü ve su seviyesi kontrol işlevi
• Kullanım için ortam sıcaklığı: -10 - 50˚C.
| Rafine tasarım Kurulum alanı %50 azaltıldı Hacim %30 azaldı | |
| | Tam otomatik üç geçirmez boya kaplama makinesi, devre kartının koruyucu katmanını kalınlaştırmak için kullanılır ve devre kartının rüzgar tozu, aşındırıcı gaz ve nemli havadan kaynaklanan hasarını etkili bir şekilde önler. |
| | Nominal yük altında ürünlerin çeşitli elektriksel göstergelerini ve koruma fonksiyonlarını test etmek için tam otomatik algılama ekipmanını benimseyin. |
| | Bitmiş tüm ürünler, 60 derecelik yüksek sıcaklıkta 48 saat boyunca yük altında yaşlandırılır ve ardından tüm elektriksel göstergeler, ürün arıza oranını azaltmak için yük altında test edilir. |
Model Adlandırma
Genel tip S2 serisi:
Vmp 310VDC veya 220VAC giriş, 1/3 faz 0-220VAC çıkış
| Modelii | Nominal akım ( A ) | Çıkış voltajı ( VAC ) | Güç (kW) pompası için geçerlidir | Sürücü boyutunun dışında Y*G*D (mm) | MPPT'nin'nin Vmp/Voc |
| RVE35-S2-0R7G | 4 | 0-220 | 0.75 | 187*86*152 | 310/372 |
| RVE35-S2-1R5G | 7 | 0-220 | 1.5 | ||
| RVE35-S2-2R2G | 10 | 0-220 | 2.2 | ||
| RVE35-S2-3G | 13 | 0-220 | 3 | 265*105*164 | |
| RVE35-S2-4G | 16 | 0-220 | 4 |
Genel tip T3 serisi:
Vmp540 ila 650VDC veya 380 ila 460VAC giriş, 3 faz 0-380/460VAC çıkış
| Modelii | Nominal akım ( A ) | Çıkış voltajı ( VAC ) | Güç (kW) pompası için geçerlidir | Sürücü boyutunun dışında Y*G*D (mm) | MPPT'nin'nin Vmp/Voc |
| RVE35-T3-0R7GB | 2,5/3,7 | 0-380/440 | 0.75 | 187*86*152 | 540/660 |
| RVE35-T3-1R5GB | 3,7/5 | 0-380/440 | 1.5 | ||
| RVE35-T3-2R2GB | 5/10 | 0-380/440 | 2.2 | ||
| RVE35-T3-4GB | 10/13 | 0-380/440 | 4.0 | ||
| RVE35-T3-5R5GB | 13/16 | 0-380/440 | 5.5 | 265*105*164 | |
| RVE35-T3-7R5GB(Plastik Kasa) | 16/25 | 0-380/440 | 7.5 | ||
| RVE35-T3-7R5GB(Demir kasa) | 16/25 | 0-380/440 | 7.5 | 333*150*216 | |
| RVE35-T3-11GB | 25/32 | 0-380/440 | 11 | ||
| RVE35-T3-15GB | 32/38 | 0-380/440 | 15 | ||
| RVE35-T3-18GB | 38/45 | 0-380/440 | 18 | 383*180*228 | |
| RVE35-T3-22GB | 45/60 | 0-380/440 | 22 | ||
| RVE35-T3-30GB | 60/75 | 0-380/440 | 30 | 435*175*265 | |
| RVE35-T3-37GB | 75/90 | 0-380/440 | 37 | ||
| RVE35-T3-45G | 90/110 | 0-380/440 | 45 | 670*265*358 | |
| RVE35-T3-55G | 110/150 | 0-380/440 | 55 | ||
| RVE35-T3-75G | 150/170 | 0-380/440 | 75 | ||
| RVE35-T3-90G | 170/210 | 0-380/440 | 90 | 845*305*358 | |
| RVE35-T3-110G | 210A/250 | 0-380/440 | 110 | ||
| RVE35-T3-132G | 250A/300 | 0-380/440 | 132 | ||
| RVE35-T3-160G | 300A/340 | 0-380/440 | 160 | 788*500*360 | |
| RVE35-T3-185G | 340/380 | 0-380/440 | 185 | ||
| RVE35-T3-200G | 380/415 | 0-380/440 | 200 | 900*540*358 | |
| RVE35-T3-220G | 415/470 | 0-380/440 | 220 | ||
| RVE35-T3-250G | 470/520 | 0-380/440 | 250 | ||
| RVE35-T3-280G | 520/600 | 0-380/440 | 280 | 1035*620*400 | |
| RVE35-T3-315G | 600/680 | 0-380/440 | 315 | ||
| RVE35-T3-355G | 680/750 | 0-380/440 | 355 | 1290*780*410 | |
| RVE35-T3-400G | 750/810 | 0-380/440 | 400 |
Mükemmel Performans
| | Ekipman doğruluğunu artırmak için yüksek performanslı vektör kontrolü |
| Vektör kontrolü altındaki maksimum çıkış frekansı 1500 Hz'ye ulaşır ve bu, zayıf manyetik hız düzenleme aralığının 1o katı dahilinde yüksek hassasiyetli hız çıkışı elde edebilir. | |
| | |
| | Senkron motorlar için mükemmel sürücü |
| Açık döngü vektör kontrol modunda %100 nominal yük ile 500 Hz'de senkron motorun mevcut dalga biçimi. | |
| | |
| | Güvenilir ısı dağılımı tasarımı |
| Bağımsız çift hava kanalı tasarım teknolojisi, kapasite azaltımı olmadan 50 OC halka sıcaklığına sahip güneş enerjisi pompası sürücüsünün kullanımını gerçekleştirebilir. |
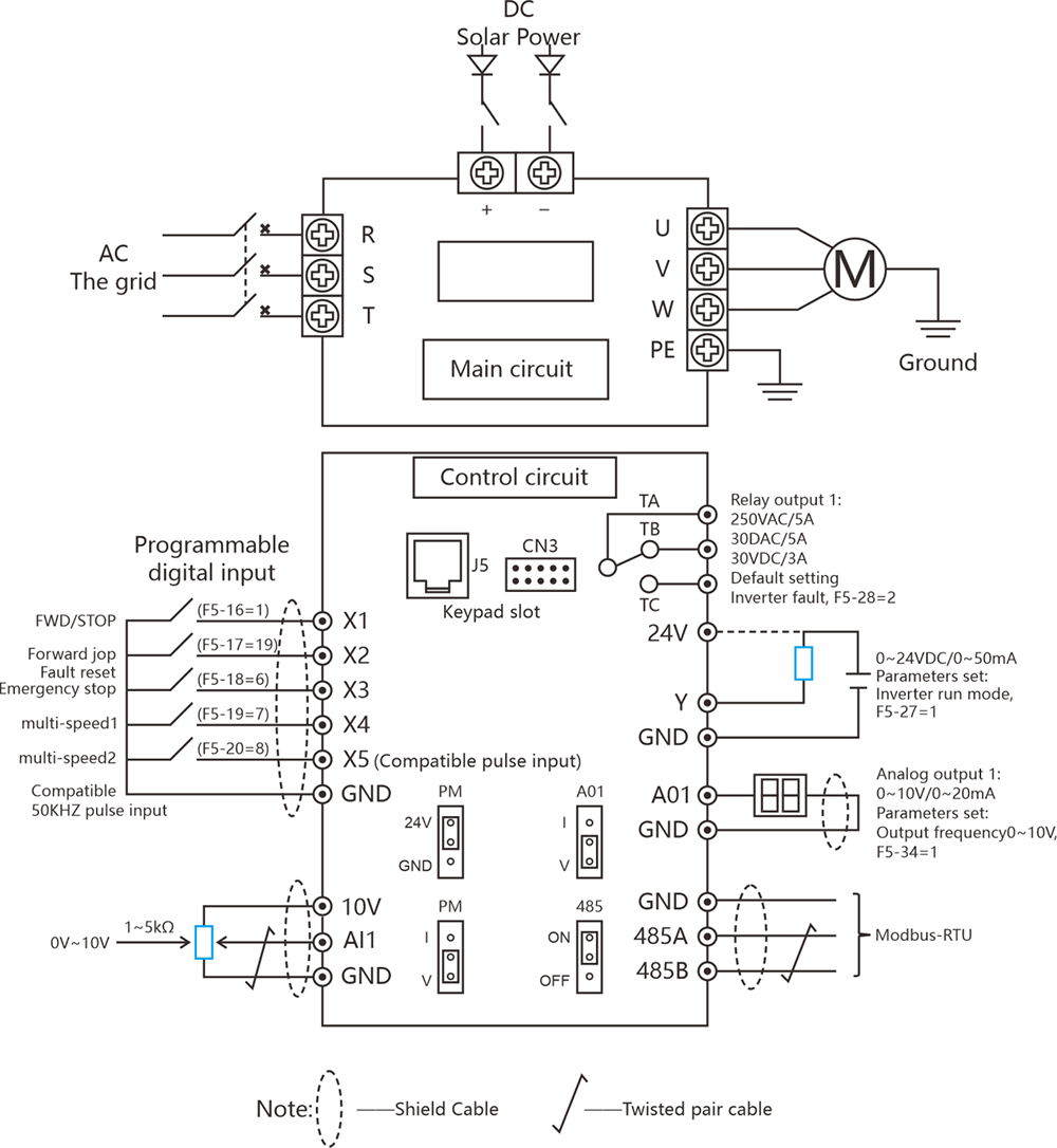
Bağlantı Şeması
RVE35 0,75kw-7,5kw ürünleri için lütfen aşağıdakilere dikkat edin:
1. Ürün X6 ve X7 lojik giriş terminallerini içermez;
2. Ürün yalnızca 1 analog giriş, 1 analog çıkış ve 1 röle çıkışı içerir










































